Toyota Yaris Revue Technique: Relais (pour Berlines)

Toyota Yaris Revue Technique / Chauffage / Climatisation: Relais (pour Berlines)

Verification Sur Vehicule

VERIFICATION SUR VEHICULE

1. VERIFIER L'ENSEMBLE DE RELAIS DU MOTEUR DE SOUFFLANTE DE CHAUFFAGE

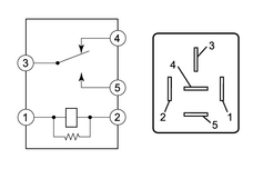
(a) Vérifier la résistance.

(1) Mesurer la résistance en fonction de la (des) valeur(s) indiquée(s) dans le tableau ci-dessous.

Résistance standard:

Branchement du tester

Condition

Condition spécifiée

3 - 4

Tension de batterie non appliquée aux bornes 1 et 2

En dessous de 1 Ω

3 - 4

Tension de batterie appliquée aux bornes 1 et 2

10 kΩ minimum

3 - 5

Tension de batterie non appliquée aux bornes 1 et 2

10 kΩ minimum

3 - 5

Tension de batterie appliquée aux bornes 1 et 2

En dessous de 1 Ω

  • Si le résultat n'est pas conforme aux spécifications, remplacer l'ensemble de relais de moteur de soufflante de chauffage.
    Remplacement

    Relais (pour Hatchback)

    Toyota Yaris Notice d'utilisation

    Toyota Yaris Revue Technique

    © 2018-2026 www.toyafr.com
    0.0077