Toyota Yaris Revue Technique: Bornes De L'ecu

Toyota Yaris Revue Technique / Compteurs / Jauges / Affichage: Systeme Des Compteurs Et Des Jauges (pour Berlines) / Bornes De L'ecu

BORNES DE L'ECU

1. ENSEMBLE DE COMBINE D'INSTRUMENTS

(a) Débrancher le connecteur D1 de l'ensemble de combiné d'instruments.

(b) Mesurer la tension et la résistance du connecteur côté faisceau de câbles.

N° de borne (symbole)

Couleur du câblage

Description de la borne

Condition

Condition spécifiée

D1-1 (IG2) - Masse de carrosserie

B - Masse de carrosserie

Signal du contacteur d'allumage

Contacteur d'allumage OFF → ON

En dessous de 1 V → 11 à 14 V

D1-2 (ECU-B) - Masse de carrosserie

L - Masse de carrosserie

Batterie

En permanence

11 à 14 V

D1-24 (ET) - Masse de carrosserie

BR - Masse de carrosserie

Masse

En permanence

En dessous de 1 Ω

Si le résultat n'est pas conforme aux spécifications, il peut y avoir un dysfonctionnement au niveau du faisceau de câbles.

(c) Débrancher le connecteur D76 de l'ensemble de combiné d'instruments.

(d) Mesurer la tension du connecteur côté faisceau de câbles.

N° de borne (symbole)

Couleur du câblage

Description de la borne

Condition

Condition spécifiée

D1-3 (FUEL) - Masse de carrosserie

V - Masse de carrosserie

Signal de niveau de carburant

Contacteur d'allumage en position ON

11 à 14 V

D1-7 (ILL-) - Masse de carrosserie

GR - Masse de carrosserie

Signal de rhéostat de commande d'éclairage

Contacteur d'allumage OFF → ON

Génération d'impulsions

(cf. forme d'onde 1)

D1-14 (ILL+) - Masse de carrosserie

G - Masse de carrosserie

Signal d'éclairage

Contacteur de commande d'éclairage OFF → ON

En dessous de 1 V → 11 à 14 V

D1-15 (TC) - Masse de carrosserie

Y - Masse de carrosserie

Signal du contacteur de désactivation des feux arrière

Contacteur de désactivation des feux arrière OFF → ON

En dessous de 1 V → 11 à 14 V

D1-16 (+S) - Masse de carrosserie

SB - Masse de carrosserie

Signal de vitesse du véhicule (sortie)

Véhicule roulant à environ 20 km/h (12 mi/h)

Génération d'impulsions

(cf. forme d'onde 2)

D1-17 (SI) - Masse de carrosserie

P - Masse de carrosserie

Signal de vitesse du véhicule (entrée)

Véhicule roulant à environ 20 km/h (12 mi/h)

Génération d'impulsions

(cf. forme d'onde 2)

D1-20 (CANH) - Masse de carrosserie

G - Masse de carrosserie

Ligne de communication CAN

Contacteur d'allumage en position ON

Génération d'impulsions

D1-21 (CANL) - Masse de carrosserie

W - Masse de carrosserie

Ligne de communication CAN

Contacteur d'allumage en position ON

Génération d'impulsions

D76-1 (CHG) - Masse de carrosserie

L - Masse de carrosserie

Signal du témoin de charge

Contacteur d'allumage en position ON

Démarrage du moteur

Témoin de charge

OFF → ON

11 à 14 V → En dessous de 1 V

D76-2 (SW) - Masse de carrosserie

V - Masse de carrosserie

Signal du témoin de rappel de niveau de liquide de frein

Contacteur d'allumage en position ON

Témoin de rappel de niveau de liquide de frein

ON → OFF

En dessous de 1 V → 11 à 14 V

D76-4 (EFI) - Masse de carrosserie

B - Masse de carrosserie

Signal MIL

Contacteur d'allumage en position ON

MIL ON → OFF

En dessous de 1 V → 11 à 14 V

D76-7 (FOG) - Masse de carrosserie*1

R - Masse de carrosserie

Signal d'antibrouillard avant

Contacteur d'allumage en position ON

Contacteur des feux antibrouillards avant

OFF → ON

En dessous de 1 V → 11 à 14 V

D76-8 (TURN L) - Masse de carrosserie

LG - Masse de carrosserie

Signal de clignotant gauche

Contacteur d'allumage en position ON

Témoin de clignotant gauche

OFF → ON → OFF

En dessous de 1 V → 11 à 14 V → En dessous de 1 V

D76-9 (PBLT) - Masse de carrosserie

BE - Masse de carrosserie

Signal du témoin de rappel de ceinture de sécurité (côté passager)

Contacteur d'allumage en position ON

Témoin de rappel de ceinture de sécurité du passager avant éteint → allumé → éteint

En dessous de 1 V → 11 à 14 V → En dessous de 1 V

D76-11 (BEAM-) - Masse de carrosserie

P - Masse de carrosserie

Signal du témoin des feux de route (-)

Inverseur feux de route/croisement Hi → Lo

En dessous de 1 V → 11 à 14 V

D76-12 (S) - Masse de carrosserie

Y - Masse de carrosserie

Signal de pression d'huile

Témoin de pression d'huile ON → OFF

En dessous de 1 V → 11 à 14 V

D76-14 (BEAM+) - Masse de carrosserie

GR - Masse de carrosserie

Signal du témoin des feux de route (+)

Témoin BEAM éteint → allumé

En dessous de 1 V → 11 à 14 V

D76-15 (TURN R) - Masse de carrosserie

BR - Masse de carrosserie

Signal de clignotant droit

Témoin de clignotant droit éteint → allumé → éteint

En dessous de 1 V → 11 à 14 V → En dessous de 1 V

D76-16 (IND) - Masse de carrosserie

G - Masse de carrosserie

Signal du témoin des feux arrière

Contacteur de commande d'éclairage OFF → ON

En dessous de 1 V → 11 à 14 V

D76-17 (ODO) - Masse de carrosserie

L - Masse de carrosserie

Signal de contacteur ODO/TRIP

Contacteur d'allumage en position ON

5 V

D76-18 (CLK) - Masse de carrosserie

R - Masse de carrosserie

Signal du contacteur de la montre de bord

Contacteur d'allumage en position ACC

5 V

D76-19 (E1) - Masse de carrosserie

GR - Masse de carrosserie

Masse

Contacteur d'allumage en position ON

En dessous de 1 V

  • *1: avec feu antibrouillard

Si le résultat n'est pas conforme aux spécifications, il peut y avoir un dysfonctionnement au niveau de l'ensemble de combiné d'instruments.

(1) Forme d'onde 1: à l'aide d'un oscilloscope

Branchements des bornes

D1-7 (ILL-) - Masse de carrosserie

Réglage de l'appareil

5 V/DIV., 50 ms/DIV.

Condition

Contacteur d'allumage en position ON

(2) Forme d'onde 2: à l'aide d'un oscilloscope

Branchements des bornes

D1-16 (+S) - Masse de carrosserie

D1-17 (SI) - Masse de carrosserie

Réglage de l'appareil

5 V/DIV., 20 ms/DIV.

Condition

Véhicule roulant à environ 12 mi/h (20 km/h)

CONSEIL:

A mesure que la vitesse du véhicule augmente, le cycle de la forme d'onde du signal diminue.

2. ECU DE CARROSSERIE PRINCIPALE

Texte du schéma

*1

Vue arrière de l'ECU de carrosserie principale

-

-

Texte du schéma

*1

Vue avant de l'ECU de carrosserie principale

-

-

(a) Débrancher les connecteurs 4A, 4D et 4E de l'ECU de carrosserie principale.

(b) Mesurer la résistance des connecteurs côté faisceau de câbles.

N° de borne (symbole)

Couleur du câblage

Description de la borne

Condition

Condition spécifiée

4A-5 (RRCY) - Masse de carrosserie

G - Masse de carrosserie

Signal du contacteur d'éclairage de seuil de porte arrière (gauche ou droit)

Porte arrière (gauche et droite) CLOSED → OPEN

10 kΩ minimum → En dessous de 1 Ω

4A-7 (LGCY) - Masse de carrosserie

SB - Masse de carrosserie

Signal du contacteur d'éclairage de porte de compartiment à bagages

Porte de compartiment à bagages CLOSED → OPEN

10 kΩ minimum → En dessous de 1 Ω

4A-21 (DCTY) - Masse de carrosserie

R - Masse de carrosserie

Signal du contacteur d'éclairage de seuil de porte avant (côté conducteur)

Porte avant (côté conducteur) CLOSED → OPEN

10 kΩ minimum → En dessous de 1 Ω

4A-24 (PCTY) - Masse de carrosserie

L - Masse de carrosserie

Signal du contacteur d'éclairage de seuil de porte avant (côté passager)

Porte avant (côté passager) CLOSED → OPEN

10 kΩ minimum → En dessous de 1 Ω

4D-7 (KSW) - Masse de carrosserie

Y - Masse de carrosserie

Signal du contacteur d'avertissement de déverrouillage par la clé

Clé introduite → enlevée

10 kΩ minimum → En dessous de 1 Ω

4E-17 (GND1) - Masse de carrosserie

W-B - Masse de carrosserie

Masse

En permanence

En dessous de 1 Ω

Si le résultat n'est pas conforme aux spécifications, il peut y avoir un dysfonctionnement au niveau du faisceau de câbles.

(c) Raccorder les connecteurs de l'ECU de carrosserie principale.

(d) Mesurer la tension des connecteurs côté faisceau de câbles.

N° de borne (symbole)

Couleur du câblage

Description de la borne

Condition

Condition spécifiée

4C-2 (PKB) - Masse de carrosserie

Y - Masse de carrosserie

Signal de frein de stationnement

Témoin de frein de stationnement ON → OFF

En dessous de 1 V → 11 à 14 V

D33-22 (CANL) - Masse de carrosserie

W - Masse de carrosserie

Ligne de communication CAN

Contacteur d'allumage en position ON

Génération d'impulsions

D33-23 (CANH) - Masse de carrosserie

R - Masse de carrosserie

Ligne de communication CAN

Contacteur d'allumage en position ON

Génération d'impulsions

Si le résultat n'est pas conforme aux spécifications, il peut y avoir un dysfonctionnement au niveau du faisceau de câbles.

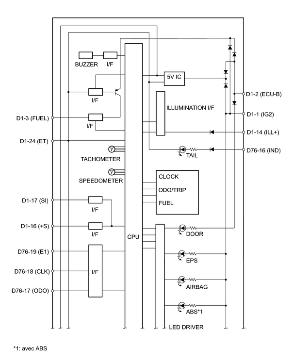
3. CIRCUIT INTERNE DU COMBINE D'INSTRUMENTS

Connecteurs

N° de borne

Côté faisceau de câbles

D1

1

Contacteur d'allumage

2

Batterie

3

Ensemble de sonde de niveau de carburant

7

Rhéostat de commande d'éclairage

14

relais des feux arrière

15

Rhéostat de commande d'éclairage

16

Autre ECU

17

Capteur de compteur de vitesse

20

Ligne de communication CAN

21

Ligne de communication CAN

24

Masse de carrosserie

D76

1

Générateur

2

Contacteur de rappel de niveau de liquide de frein

4

ECM

7*1

Relais des feux antibrouillards

8

Relais de clignotants

9

Ensemble de contacteur de signal des feux de détresse

11

Inverseur feux de route/croisement

12

Contacteur de pression d'huile moteur

14

Inverseur feux de route/croisement

15

Relais de clignotants

16

relais des feux arrière

17

Ensemble de contacteur de signal des feux de détresse

18

Ensemble de contacteur de signal des feux de détresse

19

Ensemble de contacteur de signal des feux de détresse

  • *1: avec feu antibrouillard
    Parametres Personnalisables

    Tableau Des Symptomes De Problemes

    Toyota Yaris Notice d'utilisation

    Toyota Yaris Revue Technique

    © 2018-2026 www.toyafr.com
    0.0089