Toyota Yaris Revue Technique: Dysfonctionnement du témoin de rappel de ceinture de sécurité du passager avant

Toyota Yaris Revue Technique / Ceinture De Securite: Systeme De Rappel De Ceinture De Securite (pour Berlines) / Dysfonctionnement du témoin de rappel de ceinture de sécurité du passager avant

DESCRIPTION

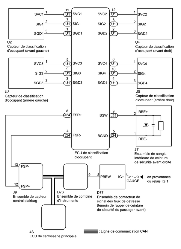
Lorsque le contacteur d'allumage est en position ON et que le siège du passager avant est occupé, l'ensemble de capteur central d'airbag communique à l'ECU de carrosserie principale le statut de l'ensemble de sangle intérieure de ceinture de sécurité avant droite via la ligne de communication CAN. L'ECU de carrosserie principale reçoit de l'ensemble de capteur central d'airbag des signaux qu'elle transmet à l'ensemble de combiné d'instruments. Lorsque la ceinture de sécurité n'est pas bouclée, l'ensemble de combiné d'instruments fait clignoter le témoin d'avertissement de rappel de ceinture de sécurité du passager avant de l'ensemble de contacteur des feux de détresse. Lorsque la ceinture de sécurité est bouclée, l'ensemble de combiné d'instruments arrête le clignotement du témoin d'avertissement de rappel de ceinture de sécurité du passager avant de l'ensemble de contacteur des feux de détresse.

SCHEMA DE CABLAGE

PROCEDURE DE VERIFICATION

ATTENTION:

Vérifier les fusibles pour les circuits liés à ce système avant d'effectuer la procédure de vérification suivante.

PROCEDURE

1.

VERIFIER SI DES DTC SONT EMIS (SYSTEME DE COMMUNICATION CAN)

(a) Supprimer les DTC .

(b) Vérifier à nouveau les DTC.

Résultat

Résultat

Passer au point

DTC n'est pas émis

A

Le DTC est émis

B

B

PASSER AU SYSTEME DE COMMUNICATION CAN

A

2.

VERIFIER SI DES DTC SONT EMIS (SYSTEME DE CLASSIFICATION D'OCCUPANT)

(a) Supprimer les DTC .

(b) Vérifier à nouveau les DTC.

Résultat

Résultat

Passer au point

DTC n'est pas émis

A

Le DTC est émis

B

B

PASSER AU SYSTEME DE CLASSIFICATION D'OCCUPANT

A

3.

VERIFIER L'EMISSION DE DTC (SYSTEME D'AIRBAG)

(a) Supprimer les DTC .

(b) Vérifier à nouveau les DTC.

Résultat

Résultat

Passer au point

DTC n'est pas émis

A

Le DTC est émis

B

B

PASSER AU SYSTEME D'AIRBAG

A

4.

EFFECTUER L'ACTIVE TEST A L'AIDE DU TECHSTREAM (FRONT PASSENGER SIDE SEAT BELT)

(a) Brancher le Techstream sur le DLC3.

(b) Mettre le contacteur d'allumage en position ON.

(c) Allumer le Techstream.

(d) Sélectionner les menus suivants: Body Electrical / Combination Meter / Active Test.

(e) Effectuer l'Active Test en suivant les indications du Techstream.

Combiné d'instruments

Affichage du tester

Elément testé

Plage de commande

Note de diagnostic

Front Passenger Side Seat Belt

Témoin de rappel de ceinture de sécurité du passager avant

OFF ou ON

-

OK:

Le témoin d'avertissement de rappel de ceinture de sécurité côté passager avant allume le témoin d'avertissement de rappel de ceinture de sécurité de passage avant.

INCORRECT

PASSER AU POINT 5

OK

REMPLACER L'ENSEMBLE DE COMBINE D'INSTRUMENTS

5.

VERIFIER LE FAISCEAU DE CABLES ET LE CONNECTEUR (TEMOIN DE RAPPEL DE CEINTURE DE SECURITE DU PASSAGER AVANT - BATTERIE)

(a) Débrancher le connecteur D77 du témoin de rappel de ceinture de sécurité du passager avant.

(b) Mesurer la tension en fonction de la (des) valeur(s) indiquée(s) dans le tableau ci-dessous.

Tension standard:

Branchement du tester

Position du contacteur

Condition spécifiée

D77-6 (IG+) - Masse de carrosserie

Contacteur d'allumage en position ON

11 à 14 V

Contacteur d'allumage en position OFF

En dessous de 1 V

Texte du schéma

*a

Vue avant du connecteur côté faisceau de câbles

(vers le témoin de rappel de ceinture de sécurité du passager avant)

INCORRECT

REPARER OU REMPLACER LE FAISCEAU DE CABLES OU LE CONNECTEUR

OK

6.

VERIFIER LE FAISCEAU DE CABLES ET LE CONNECTEUR (ENSEMBLE DE COMBINE D'INSTRUMENTS - TEMOIN D'AVERTISSEMENT DE RAPPEL DE CEINTURE DE SECURITE DU PASSAGER AVANT)

(a) Débrancher le connecteur D76 de l'ensemble de combiné d'instruments.

(b) Mesurer la résistance en fonction de la (des) valeur(s) indiquée(s) dans le tableau ci-dessous.

Résistance standard:

Branchement du tester

Condition

Condition spécifiée

D76-9 - D77-8 (PBEW)

En permanence

En dessous de 1 Ω

D76-9 ou D77-8 (PBEW) - Masse de carrosserie

En permanence

10 kΩ minimum

INCORRECT

REPARER OU REMPLACER LE FAISCEAU DE CABLES OU LE CONNECTEUR

OK

7.

REMPLACER LE TEMOIN DE RAPPEL DE CEINTURE DE SECURITE DU PASSAGER AVANT

(a) Remplacer le témoin d'avertissement de rappel de ceinture de sécurité du passager avant .

SUIVANT

8.

VERIFIER LE TEMOIN DE RAPPEL DE CEINTURE DE SECURITE COTE PASSAGER AVANT

(a) Vérifier le fonctionnement du témoin de rappel de ceinture de sécurité côté passager avant .

INCORRECT

REMPLACER L'ENSEMBLE DE COMBINE D'INSTRUMENTS

OK

FIN (LE TEMOIN D'AVERTISSEMENT DE RAPPEL DE CEINTURE DE SECURITE DU PASSAGER AVANT ETAIT DEFECTUEUX)

    Data List / Active Test

    Le témoin de rappel de ceinture de sécurité côté conducteur ne fonctionne pas

    Toyota Yaris Notice d'utilisation

    Toyota Yaris Revue Technique

    © 2018-2026 www.toyafr.com
    0.0069